LG-ZN650L型 工業(yè)機器人
? ? ? LG-ZN650L型 工業(yè)機器人是中型負載機器人,中型負載應用于碼垛、焊接、搬運的市場優(yōu)勢尤為明顯,有助于增強企業(yè)智能化程度,加強企業(yè)生產安全性。LG-ZN650L型 工業(yè)機器人擁有50kg*大負載能力,*大臂展為2400mm,合理設計工裝夾具后,工業(yè)機器人可實現重復定位精度不大于0.08mm的重復性工作,可以廣泛適用于搬運、切割、打磨拋光、碼垛等行業(yè)。 一、產品特點 1.高性價比: 低成本,花錢買回去的屬于通用工業(yè)機器人,可重復編程用于其他搬運、裝配作業(yè),且可一年回收成本; 2.長壽命: LG-ZN650L型?工業(yè)機器人采用高精密高剛度進口減速機,壽命可長達數十年,一次投入,多年受益; 3.高加速性能: LG-ZN650L型?工業(yè)機器人采用低速比高精度減速機,擁有超快的加速性能,*快加速時間可達0.3S; 4. 高集成度: 本體內置信號線與氣管即插即用,無需繁瑣接線,內部線纜無滑動,可長久保持無故障率; 5.超高精度: 除了精密的設計外,采用了進口高精密減速機,末端重復定位精度高達±0.05MM; 6.高平滑性: LG-ZN650L型?工業(yè)機器人采用...
分類:
描述
? ? ? LG-ZN650L型 工業(yè)機器人是中型負載機器人,中型負載應用于碼垛、焊接、搬運的市場優(yōu)勢尤為明顯,有助于增強企業(yè)智能化程度,加強企業(yè)生產安全性。LG-ZN650L型 工業(yè)機器人擁有50kg*大負載能力,*大臂展為2400mm,合理設計工裝夾具后,工業(yè)機器人可實現重復定位精度不大于0.08mm的重復性工作,可以廣泛適用于搬運、切割、打磨拋光、碼垛等行業(yè)。
一、產品特點
1.高性價比: 低成本,花錢買回去的屬于通用工業(yè)機器人,可重復編程用于其他搬運、裝配作業(yè),且可一年回收成本;
2.長壽命: LG-ZN650L型?工業(yè)機器人采用高精密高剛度進口減速機,壽命可長達數十年,一次投入,多年受益;
3.高加速性能: LG-ZN650L型?工業(yè)機器人采用低速比高精度減速機,擁有超快的加速性能,*快加速時間可達0.3S;
4. 高集成度: 本體內置信號線與氣管即插即用,無需繁瑣接線,內部線纜無滑動,可長久保持無故障率;
5.超高精度: 除了精密的設計外,采用了進口高精密減速機,末端重復定位精度高達±0.05MM;
6.高平滑性: LG-ZN650L型?工業(yè)機器人采用先進控制系統及伺服驅動系統,實現高速而平滑的動作性能,幾乎做到過渡點零時間停頓;
7. 高剛性: 經過結構優(yōu)化,采用大功率電機與優(yōu)質的材料,剛性非常好;
8.高負載: 末端*大負載50kg,可輕松應對碼垛、裝配、打磨及焊接行業(yè)的應用市場。
二、技術參數
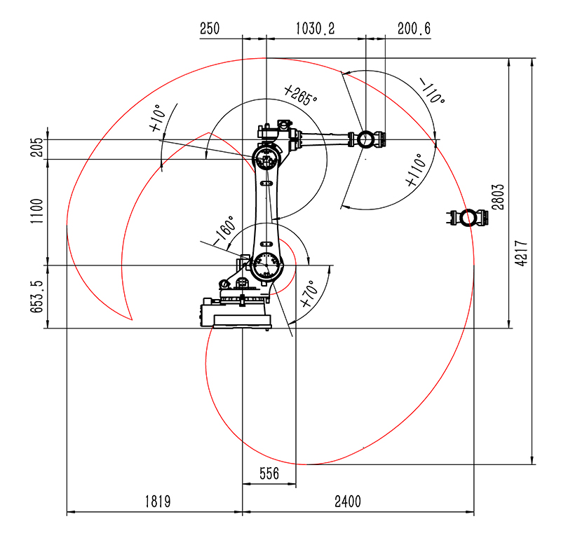
三、工業(yè)機器人參數圖




四、應用市場
1.高性價比: 低成本,花錢買回去的屬于通用工業(yè)機器人,可重復編程用于其他搬運、裝配作業(yè),且可一年回收成本;
2.長壽命: LG-ZN650L型?工業(yè)機器人采用高精密高剛度進口減速機,壽命可長達數十年,一次投入,多年受益;
3.高加速性能: LG-ZN650L型?工業(yè)機器人采用低速比高精度減速機,擁有超快的加速性能,*快加速時間可達0.3S;
4. 高集成度: 本體內置信號線與氣管即插即用,無需繁瑣接線,內部線纜無滑動,可長久保持無故障率;
5.超高精度: 除了精密的設計外,采用了進口高精密減速機,末端重復定位精度高達±0.05MM;
6.高平滑性: LG-ZN650L型?工業(yè)機器人采用先進控制系統及伺服驅動系統,實現高速而平滑的動作性能,幾乎做到過渡點零時間停頓;
7. 高剛性: 經過結構優(yōu)化,采用大功率電機與優(yōu)質的材料,剛性非常好;
8.高負載: 末端*大負載50kg,可輕松應對碼垛、裝配、打磨及焊接行業(yè)的應用市場。
二、技術參數
| 工業(yè)機器人 | LG-ZN650L | |
| 自由度 | 6 | |
| 額定負載 | 50Kg | |
| *大工作半徑 | 2400mm | |
| 重復定位精度 | ±0.08mm | |
| 運動范圍 | J1 | ±180° |
| J2 | -160°/70° | |
| J3 | +10°/265° | |
| J4 | ±360° | |
| J5 | ±110° | |
| J6 | ±360° | |
| 額定速度 | J1 | 85°/s,1.48rad/s |
| J2 | 85°/s,1.48rad/s | |
| J3 | 104°/s,1.81rad/s | |
| J4 | 177°/s,3.08rad/s | |
| J5 | 155°/s,2.7rad/s | |
| J6 | 187°/s,3.26rad/s | |
| *高速度 | J1 | 127.5°/s,2.22rad/s |
| J2 | 127.5°/s,2.22rad/s | |
| J3 | 104°/s,1.81rad/s | |
| J4 | 177°/s,3.08rad/s | |
| J5 | 155°/s,2.7rad/s | |
| J6 | 187°/s,3.26rad/s | |
| 容許慣性矩 | J6 | 25kg㎡ |
| J5 | 32.7kg㎡ | |
| J4 | 32.7kg㎡ | |
| 容許扭矩 | J6 | 330Nm |
| J5 | 340Nm | |
| J4 | 400Nm | |
| 適用環(huán)境 | 溫度 | 0~45° |
| 濕度 | 20%~80% | |
| 其他 | 避免與易燃易爆或腐蝕性氣體、液體接觸,遠離電子噪聲源(等離子) | |
| 示教器線纜長度 | 8米 | |
| 本體-柜體連接線長度 | 8米 | |
| I/O參數 | 數字量:32輸入,31輸出(控制柜故障指示燈輸出占用1) | |
| 電源容量 | 7.5kVA | |
| 額定功率 | 6kW | |
|
? 額定電壓 |
3相AC380V | |
| 額定電流 | 10.8A | |
| 本體防護等級 | IP54/IP65(手腕) | |
| 安裝方式 | 地面安裝 | |
| 本體重量 | 747kg | |
| 控制柜防護等級 | IP53 | |
| 控制柜尺寸 | 700mm(寬)×500mm(厚)×1300mm(高)-立式 | |
| 控制柜重量 | 180KG | |




四、應用市場
碼垛工業(yè)機器人





